
我国大陆核电从上世纪70年代开始起步,1984年第一座自主设计和建造的核电站——秦山核电站破土动工,至1991年并网发电,期间,陆续建成广东大亚湾核电站、秦山二期核电站、秦山三期核电站、广东岭澳一期核电站和江苏田湾一期核电站等。55项大型关键设备,47项实现国产化;大亚湾核电站是我国首座引进大型商用核电站。
根据国家能源局印发的2017年《能源指导工作意见》中明确,2017年计划开工8台核电机组,积极推进已开工核电项目建设,建成三门1号机组、福清4号机组、阳江4号机组、海阳1号机组、台山1号机组等项目,新增装机规模641万千瓦。根据规划,“十三五”期间,中国核工业将实施以示范快堆为代表的先进核能系统工程、乏燃料后处理科研专项等一批重大项目,解决长期制约我国核工业跨越式发展的瓶颈短板。在后处理产能方面,我国制定了三步走计划:一是建设每年60吨规模后处理中试厂,目前已经完成;二是要完成每年200吨规模后处理示范工厂的建设;三是实现每年800吨的工业规模后处理能力。
本期杂志,我们邀请到在核电行业拥有超过四十年从业经验,先后供职于上海核工程研究设计院、中国中原对外工程公司的陆祖祥先生,为我们剖析核电行业的发展概况、电仪设备的国产化进程。
★受访人简介:
陆祖祥先生,1973年至2004年任职于上海核工程研究设计院电仪所,仪控组组长,主任工程师,副所长,所长。2004年至2015年任职于中国中原对外工程公司采购部经理副总经理。2016年底至今,自仪公司核电顾问。曾参与我国第一座自主设计建造的核电站(秦山30万千瓦核电站)、我国第一个出口核电工程(巴基斯坦30万千瓦核电站C1工程)的设计和C2,C3,C4核电工程采购,现场调试等工作。在上海核工程研究设计院,取得仪控设计国家二等奖。取得研究员级高工和国务院颁发技术津贴证书。

CVM记者:
中国核电行业经过近四十年的发展,从核一代技术到核三代技术,从技术层面主要经历了哪些阶段?
陆祖祥先生:
中国第一代核电站是“秦山一期”核电站,秦山一期核电厂是我国自行设计、建造和运营管理的第一座30万千瓦压水堆核电厂,采用了当时国际上成熟的压水型反应堆技术,设计中我们重要考虑的是1961年美国国家反应试验站事故(INES4),设计中要考虑LOCA事故确保反应堆的安全。第一代核电厂属于原型堆核电厂,主要目的是为了通过试验示范形式来验证其核电在工程实施上的可行性。
第二代核电站,秦山核电二期工程和恰希玛一期(C1)。美国三里岛事故后,美国核管会增加制定了堆芯熔化和主管道破裂的严重事故要求,秦山二期核电站和恰希玛一期(C1)的设计增加了堆芯熔化和主管道破裂严重事故的内容,根据上世纪90年代国际先进压水堆核电站的要求,在堆芯设计、安全系统设计等核电站安全性和性能方面取得了多项重大创新。优化了设备设计和系统参数,提高了核电机组的出力,秦山二期核电站最大出力可达689MWe,平均出力670MWe,高于600MWe的设计值,恰希玛一期(C1)从300 MWe增加到315 MWe。
第三代核技术,与第二代核电核电站相比,主要差异在安全设施系统改为非能动,采用压力容器上方装个大水箱,在发生LOCA或严重事故工况下,通过大水箱的水注射至堆芯。确保反应堆的安全。目前国内建造的三门核电和山东海阳核电采用AP1000型号,广东岱山核电采用EPR1000型号。
CVM记者:
核电机组设备主要由核岛设备、常规岛设备、辅助系统这三类设备,请您帮我们大致介绍一下核电机组运行流程,以及一些关键设备。
陆祖祥先生:
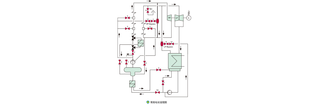
机组运行流程见图1。
压水堆核电站的一回路系统与二回路系统是完全独立的两个系统,它们是一个密闭的循环系统。核电站的原理流程为:主泵将冷却剂送入反应堆,一般冷却剂保持在≥15MPa压力下。冷却剂的温度不要超过冷却剂压力的饱和温度,反应堆回路不会汽化。冷却剂把核燃料放出的热能带出反应堆,并进入蒸汽发生器,通过数以千计的传热管,把热量传给管外的冷却水,将水变成蒸汽;冷却剂流经蒸汽发生器后,再由主泵送入反应堆,这样来回循环,不断地把反应堆中的热量带出并转换产生蒸汽。从蒸汽发生器出来的高温高压蒸汽,推动汽轮发电机组发电。做过功的蒸汽在冷凝器中冷却,再由凝结给水泵送入除氧器水箱,再由主给水泵经高、低加加热,重新送回蒸汽发生器,这就是二回路循环系统。
压水堆由压力容器和堆芯两部分组成。压力容器是一个又厚又重的、高达数十米的圆筒形大钢壳,容器内的燃料棒经中子轰击后产生的热量,用来推动汽轮机用来发电。
而三回路循环系统,是作功后的乏蒸汽在冷凝器中被海水或河水冷却,冷凝中水经过冷却后,再经除氧水箱通过主给水泵进入蒸汽发生器。以海水为介质的三回路的作用是把乏蒸汽冷却,同时带走电站的弃热。
核电站主要设备就包括核反应堆、蒸汽发生器、稳压器、主冷却剂泵、汽轮机和发电机机组等。 除此之外,还有一个三废处理系统,这系统也是相当复杂的。主要是解决放射性废物、废液、废气并控制放射性剂量,对于满足要求进行排放,不能满足要求的,就进行存放,并且存放相当一段时间。中国在核电站方面虽然起步晚,但是发展快,很有经验。目前中国在运行的核电机组来说已经不少了,但是仍然只占有全国发电总量的4%,离国外有些占总发电量70%的核电的水平,中国还有很大的发展空间。

CVM记者:
您参与过我国第一座自主设计建造的核电站设计,也参与过在我国第一个出口核电C1工程设计和C2、C3、C4的工程采购、现场调试,您认为核电行业这些年在电仪设备采购上有哪些改变?
陆祖祥先生:
先从仪表方面来说,秦山一期采用三型仪表(显示仪表、指示仪表、控制仪表),C1项目采用半数字、半模拟的单回路调节器,到目前发展的数字化仪表,如采用DCS控制系统及显示。
电器设备,变化不大,大多数情况下采用ABB、施耐德的产品。
核电站使用的流量计,大多数采用孔板流量计,主给水流量采用ASME长径喷嘴或ASME文丘利管。
温度仪表、电阻温度计采用铂热电阻传感器,变化不大,但核电站中使用的温度计寿命精度都相应得到了提高。
CVM记者:
请您介绍一下目前我们发展的核电技术,以及在该技术上,国家对于关键设备国产化提出的一些要求?
陆祖祥先生:
核电技术上,由于一些设备受到国外的技术保护,涉及到一定的国家战略意义,关键设备的国产化项目一直不遗余力,压力容器、蒸汽发生器、主管道等一大批重大设备实现了国产化,屏蔽电机主泵、数字仪控系统、爆破阀等核心设备均已完成样机制造。主给水调节阀、控制棒驱动机构、控制系统、供电系统和燃料装卸料机等已实现国产化。核电设备制造产业链,设备国产化生态圈:以中国一重、中国二重和上海上重为产业龙头的大型铸锻件和反应堆压力容器制造基地;以哈尔滨电气、东方电气和上海电气为产业龙头的核电设备制造基地;目前调节阀取得民用核电设计制造许可证的两家是上海自动化仪表七厂和浙江三方控制阀有限公司。
CVM记者:
请您介绍一下目前核电阀门国产化方面的一些进程与方向。
陆祖祥先生:
我这里主要讲一下上海自动化仪表七厂的阀门国产化方面进程。自动化仪表七厂的主给水调节阀已成功应用在恰希玛C2、C3和C4中,打破了国内火电、核电主给水调节阀全部进口的先例。上海自动化仪表七厂生产的核级大气释放阀、上充流量调节阀、背压调节阀和核3级气动调节阀,都应用在中国援建巴基斯坦核电项目——巴基斯坦恰希玛核电站二、三、四期工程(简称C2、C3、C4项目)中。除此之外,上海自动化仪表七厂之前在核电站装置的化水系统、取样系统、L2C系统、疏水系统等配套阀门产品已经比较成熟。不久前,自仪七厂的CAP1400项目主给调节阀也通过了专家鉴定。
浙江三方控制阀有限公司同样为核电站用调节阀作出了贡献,目前浙江三方控制阀有限公司生产了卡拉奇核电站主给水调节阀、核二级大气释放阀、核二级蝶形调节阀、核三级气动调节阀、核三级自力式温度控制阀等,同时通过CAP1400项目主给水调节阀样机的专家鉴定会,目前核电调节阀国产化是主要趋势,不要再花冤枉钱进口了。

CVM记者:
您认为核电电仪设备和火电厂电仪设备相比,在哪些方面会有特别需求?
陆祖祥先生:
核电厂和煤电厂的发电原理基本相同,他们的区别主要在于核电站采用原子锅炉、火电厂采用蒸汽锅炉,产生蒸汽来发电。火电厂与核电厂相比,另外区别在于核电厂有放射性,火电厂没有放射性要求,因此核电厂现场的设备要有耐放射性,这个指标,还有核电厂必须考虑安全稳定性,对设备的使用有寿命的要求,比如十八个月以内不能换设备。核级设备一般要满足最起码五年以上的寿命,也就是三个换料周期,所以使用寿命和设备稳定可靠性要求比较高。
而火电厂一般三五个月大修一次,火电厂相对成本也较低。
而针对核电站不同的应用工况,其设备要求也会有所不同。
核一级,是直接影响到安全系统的,与核反应堆回路有关系的。仪表是K1类,安装在反应堆厂房里面的,K2类是一回路与二回路交接的工况。K3类是辅助厂房内安装的电仪设备。核二级,与反应堆回路相关的系统有关系的。核三级,与反应堆回路相关系统有关连的,界线也不是绝对分得很清楚的,和其在核电站的重要性有关系。
CVM记者:
目前拥有核电电仪设备国产化生产资质的包括哪些厂商?其各优势产品有哪些?
陆祖祥先生:
目前拥有核电电仪设备国产化生产资质控制系统DCS厂商有:国核自仪的“CAP1400核电站数字化仪控系统”、北京广利核系统工程有限公司等。
流量计方面,国内做的还是不错的,比如主给水流量,有好几个厂家可做,可以做到国产化,不必进口。核电站温度仪表,目前国内具有供货的是四川重庆材料研究所、浙江伦特机电有限公司。浙江伦特目前正在申请核级资质,K2、K3项目温度仪表是浙江伦特供货。压力仪表方面,有压力变送器厂商,比如光华仪表,原来是核工业部旗下企业,它有国家核安全局颁发的民用核电站核级变送器资质证书。
调节阀方面,上海自动化仪表七厂主给水调节阀等等产品,另外浙江三方也有上述产品,大气释放阀、上充流量调节阀、稳压器喷雾阀等,两个厂家都取得核安全局颁发的设计、制造许可证。


CVM记者:
目前不少电仪设备厂商希望进驻核电领域,但是核电资质作为一个高门槛难以获得,您认为需要做哪些准备?
陆祖祥先生:
核电站设备取得国家核安全局颁发的设计、制造许可证资质具有一定的难度,但最重要的,首先公司下定决心,然后做一些核电厂的设备应用,核电项目是非常讲究“首台套”的问题,在进入核电项目之初,可以先从非重要的系统开始做,比如主给水系统,冷却水系统等非核级应用开始做,然后慢慢进入核级应用。除了应用业绩外,在质保体系和产品可追溯性方面要做到规范,然后开始向国家核安全局申请资质,做老化、辐照试验、耐久性试验、机械振动、EMC试验,然后做抗震、严重事故等试验,开专家鉴定会,然后通过相关部门申请取证。不过一般核电项目的认证,至少需要两三年,甚至更长时间,其实目前不少我国出口的核电项目给厂商提供了不少发展空间,比如我国出口巴基斯坦的核电项目,在外国设备厂商封锁的条件下,为了填补国内空白的前提下,可以做一些开发,当然也需要按照国家核安局的法规去做,这都不失为一种机会。
CVM记者:
您认为未来几年我国的核电行业发展会有哪些趋势?
陆祖祥先生:
目前我国的核电站发电量占总发电量仅为4%,未来还有很大的发展空间。根据国家“十三五”规划,2016年开始的第十三个五年计划中,中国每年将新建6至8座核电站,结合能源行动计划中“到2020年,装机容量达到5800万千瓦,在建容量达到3000万千瓦以上”的目标,2016-2020年核电投产装机年复合增速约25%。目前在建的核电站有:AP1000反应堆堆型:三门一期(1号和2号机组)、海阳一期(1号和2号机组);CPR1000反应堆堆型:防城港一期(1号和2号机组)、福清(2号~4号机组)、宁德一期(4号机组)、红沿河一期(4号机组)、阳江(3号~6号机组);华龙一号:福清(5号~6号机组)等26台。目前国内的主要核电代表技术为:国核的CAP1400、中核的ACP1000、中广核集团的ACPR1000。
而目前除了国内在建这些之外,“一带一路”走出国门的 “华龙一号”,巴基斯坦卡拉奇核电厂K2/K3项目,恰希玛核电站C1、C2和C3、C4项目,未来国内会有更多核电项目开建,也会承接更多海外核电项目。

CVM记者:
如果让您为国产控制阀设备厂商建言,您有哪些想说的?
陆祖祥先生:
我从内心来说,非常希望国产的控制阀厂商都能有好的发展,目前国内的控制阀企业相对来说,有一些发展不错的,也有一些需要加强的,比如在对于体制改革、财力的综合利用,不管是国企还是民企的,都有改进空间。从技术力量看,还是单薄一点,需要更多技术投入和钻研。而对于已经发展的比较大的控制阀厂商,可以在技术储备、技术研发、行业拓展上做更多,把控制阀设备做的更全面。
